SS UCFL 201 - IBB Edelstahl oval Flanschlager 12 mm

Artikelnummer: 995.02138
IBB
Volumenrabatt
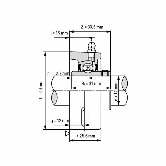
SS UCFL 201 - IBB Edelstahl oval Flanschlager 12 mm SS UCFL 201 afmetingen tekening vooraanzicht SS UCFL 201 afmetingen tekening doorsnede
SS UCFL 201 - IBB Edelstahl oval Flanschlager 12 mm
SS UCFL 201 afmetingen tekening vooraanzicht
SS UCFL 201 afmetingen tekening doorsnede

Edelstahl oval Flanschlager mit SS Spannlagereinheit 12 mm mit zwei Einstellschrauben

19,87
pro Stück (exkl. MwSt)
Auf Lager Lieferzeit: 1 - 3 Tage
Staffelpreise
Anzahl Preis
1 € 19,87
25 € 17,03 14% Rabatt
50 € 14,19 29% Rabatt
  • Mindestbestellwert 50,- € zzgl. MwSt.
  • Bis 16:00 Uhr bestellt, heute versendet
  • Kostenloser Versand ab 75,- € (zzgl. MwSt.)
  • Kauf auf Rechnung möglich
Haben Sie eine Frage zu diesem Produkt?

Mit den nachfolgenden Optionen können Sie uns kontaktieren und eine Frage stellen.

Rufen Sie uns an

Beschreibung

Der SS UCFL 201 ist ein ovaler Flanschlagerblock mit zwei Befestigungslöchern. ausgestattet mit einem SS UC201-Einbaulager mit einer Bohrung von 12 mm in einem SFL201-Gehäuse. Diese Ausführung wird flach mit zwei Schrauben montiert und besteht aus rostfreiem Stahl. mit einem Lagergehäuse aus AISI 304 und einem Einbaulager aus AISI 440C.Der Edelstahl-Flanschlagerblock eignet sich für Anwendungen in feuchten oder hygienisch sensiblen Umgebungen. wie z. B. Lebensmittelmaschinen. Verpackungslinien und Waschanlagen. Das kompakte Design ermöglicht die Montage auf ebenen Flächen. beispielsweise auf Edelstahl-Maschinenrahmen oder Wandplatten. Das Lager ist doppelt abgedichtet. standardmäßig mit lebensmitteltauglichem Fett (H1-klassifiziert) geschmiert und mit einem Schmiernippel für eine eventuelle Nachschmierung ausgestattet.Der Lagerblock verfügt über ein robustes. rostfreies Gehäuse. das gegen chemische Reinigungsmittel beständig ist. Die glatten Oberflächen sind schmutzabweisend und leicht zu reinigen. Durch den kugelförmigen Außenring des Einbaulagers werden statische Ausrichtungsfehler bis zu 2° ausgeglichen. Der verlängerte Innenring mit zwei Einstellschrauben sorgt für eine sichere Wellenfixierung.

Spezifikationen

Marke
IBB
Bauform des Gehäuselager
Flanschlager
Material
Edelstahl
Wellendurchmesser mm
12 mm
Toleranz für den Innen-Ø
0,015/0 mm
Statische Tragzahl (N)
6650 N
Dynamische Tragzahl (N)
12800 N
Gewindestift
M6
Schmierung
Mobil FM 221 / 222, geeignet für die Lebensmittelindustrie (H1-Klassifizierung)
Temperatuur
-20°C / +100°C
Gewicht
490 g
Kontakt

Mit den nachfolgenden Optionen können Sie uns kontaktieren und eine Frage stellen.